продукт
приложение
план
ресурс
поддерживать
новости
о нас
登录

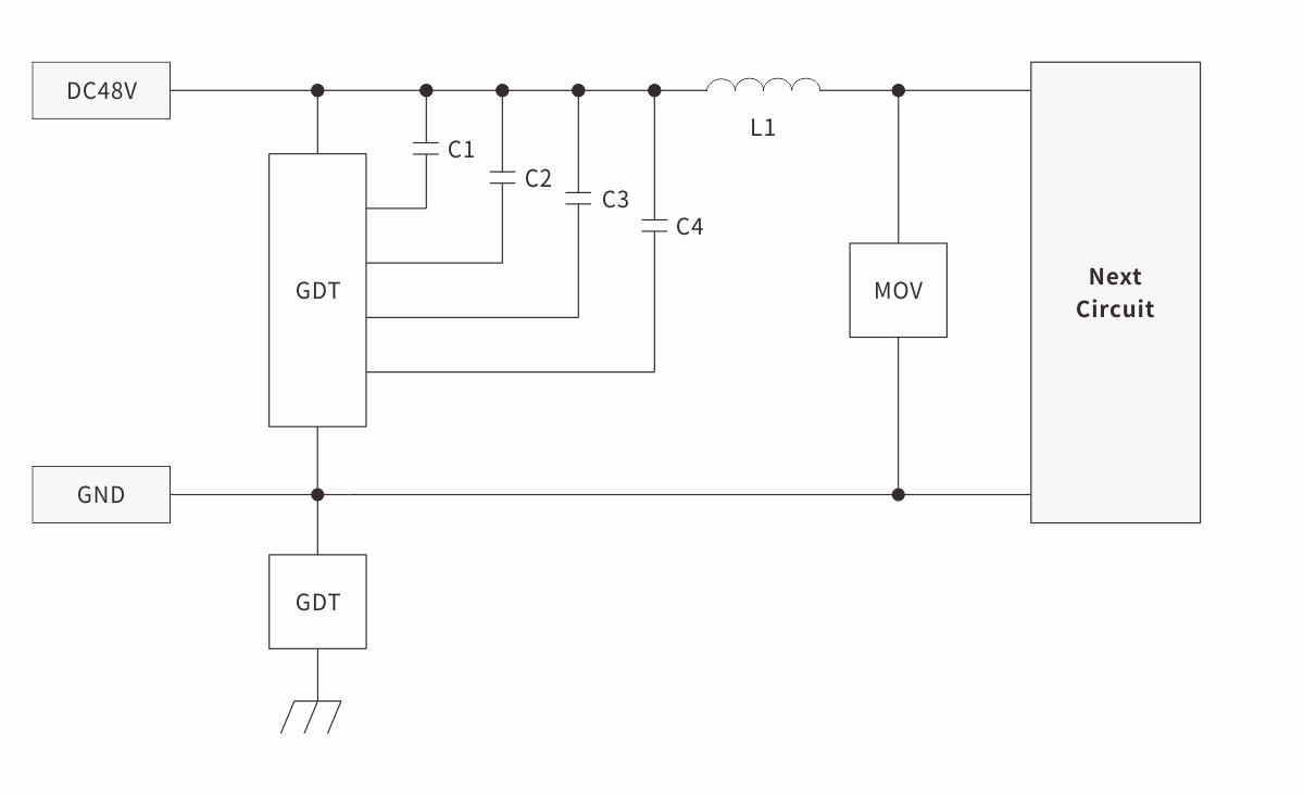
DC48V-20KA

Build Semiware into your application circuit

Summary Application Circuit Diagram Documents Other

Summary

48V DC power supply systems are widely used in communication equipment, electric vehicles, industrial control, charging piles, etc. Its operating voltage is higher than the common 12V/24V system, so it has higher voltage stress and energy tolerance requirements when encountering surges.

Test Level:
8/20μs CM/DM 20KA

Application Circuit Diagram

Find products and reference designs suitable for your system

DC48V-20KA

Other Related

DC48V-2KA DC48V-3KA DC110V-6KV DC12V-6KV DC5V DC9V DC110V-4KV DC60V-4KV